建物に関する登記

建物表題登記

建物表題変更登記

建物滅失

建物表題登記

建物を新築したとき又は表題登記のない建物の所有権を取得した者は、 所有権の取得から一カ月以内に建物の表題登記を申請しなければなりません。
建物を新築した場合が典型ですが、未登記の建物を相続した場合なども表題登記を申請します。


<添付書類>
表題登記の申請書に添付する書類は、次の通りです。


住所証明書とは、住民票の写しや戸籍附票、印鑑証明書など、申請人の住所・氏名が記載された証明書のことです。
所有権証明書とは、申請にかかる建物が申請人の所有であることを証明する書類のことです。
具体的には、建築基準法6条の建築主事による確認のあったことを証する書面(建築確認済証)、 建築請負人の証明書(工事完了引渡)証明書、固定資産税の納付証明書などが挙げられます。


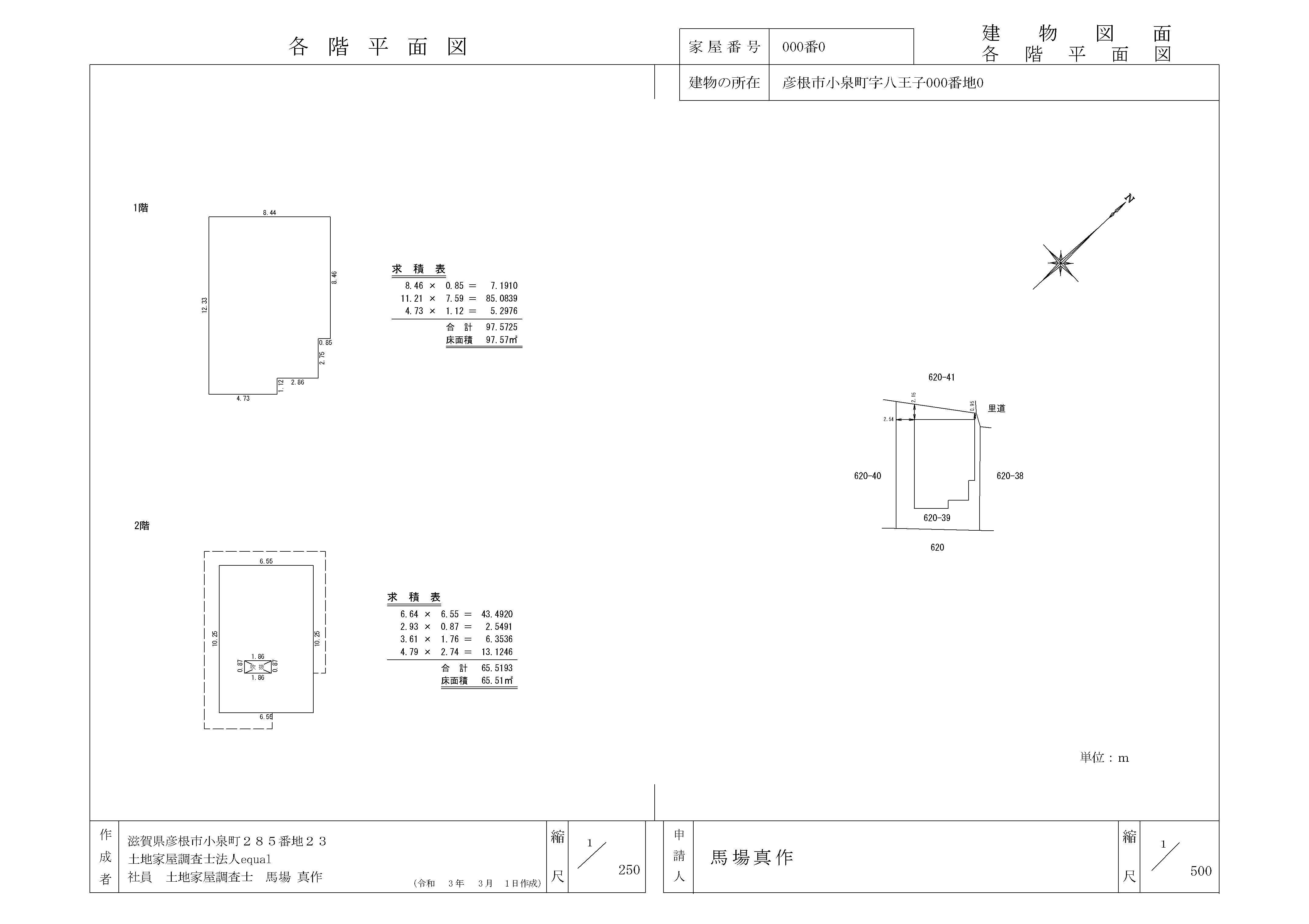
建物図面・各階平面図のサンプル

建物表題変更登記

建物の表題部に記録されている内容に変更が生じたときに申請するのが表題変更登記です。


具体例

  1. 増築したとき 「床面積」の変更
  2. 居宅を店舗に改装したとき 「種類」の変更
  3. 屋根をかわらぶきからスレートぶきに変更したとき 「構造の変更」

建物滅失登記

建物を解体したときに申請します。 解体工事は済んだものの、登記のことまで気が回らなかった、知らなかったという方も多いようです。 ご相続登記をご依頼いただいたときなど(equalグループ司法書士)、当事務所では調査の一環として相続される土地上にある建物の登記を全て洗い出しています。 すると、何十年も前に取り壊した建物の登記が残っていることがあります。 このような建物の登記についても、滅失登記の申請をしなければいつまでも登記記録が残ったままになってしまいますので、 ご相続のタイミングで対応することなどを提案させていただいております。


<添付書類>